• Hassas İş Bağlama Sistemleri

  • Alanında Uzman Kadro

  • Hassas İş Bağlama Sistemleri

ÜRÜNLER / YÜKSEK DEVİRLİ VE HIZLI AYAK DEĞİŞTİRMELİ HİDROLİK AYNALAR - HSQC
 GENEL ÖZELLİKLER

Büyük delik çapı
Hızlı değiştirilebilir ayaklar. Her aynada iki takım taban ayak bulunur.
Yüksek devirlerde kullanım.
Ayar zamanı ve üretim maliyetlerini düşürür.
Gövde içindeki ayar civataları ile salgı ayarlanabilir.

 TEKNİK ÖZELLİKLER
6"
Ayna Çapı 6"
Sipariş Kodu KHSC 6X3
Max. Devir (rpm) 6000
Max. Delik Çapı (mm) 43
Ayak Stroku (mm) 3,5
Piston Stroku (mm) 16
Max. Çekme Kuvveti (kN) 16
Max. Sıkma Kuvveti (kN) 47
Ağırlık (kg) 16

 

8"
Ayna Çapı 8"
Sipariş Kodu KHSC 8X3
Max. Devir (rpm) 5500
Max. Delik Çapı (mm) 66
Ayak Stroku (mm) 3,5
Piston Stroku (mm) 16
Max. Çekme Kuvveti (kN) 24
Max. Sıkma Kuvveti (kN) 66
Ağırlık (kg) 27

 

10"
Ayna Çapı 10"
Sipariş Kodu KHSC 10X3
Max. Devir (rpm) 4500
Max. Delik Çapı (mm) 66,5
Ayak Stroku (mm) 4
Piston Stroku (mm) 18,5
Max. Çekme Kuvveti (kN) 32
Max. Sıkma Kuvveti (kN) 88
Ağırlık (kg) 42

 

12"
Ayna Çapı 12"
Sipariş Kodu KHSC 12X3
Max. Devir (rpm) 3800
Max. Delik Çapı (mm) 90
Ayak Stroku (mm) 4
Piston Stroku (mm) 18,5
Max. Çekme Kuvveti (kN) 44
Max. Sıkma Kuvveti (kN) 121
Ağırlık (kg) 68

 

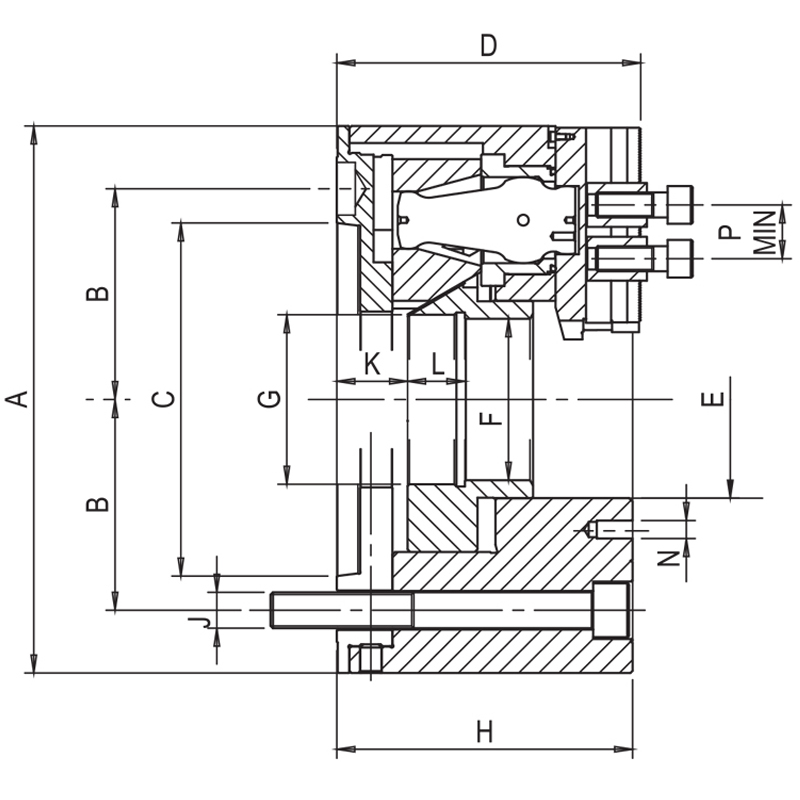
ÖLÇÜLER
6"
Ayna Ebadı 6"
Flanş No A2-5
A 165
B 52,4
C 82,557
D 126
E 56
F 43
G (Max) M48x1,5
H 123
J M10x120
K (Max/Min) 44/28
L 20
M (1,5x60° / 1,16"x90°) 12
12
N M8
P (Min) 17

 

8"
Ayna Ebadı 8"
Flanş No A2-6
A 210
B 66,7
C 106,375
D 140
E 82
F 66
G (Max) M72x1,5
H 136
J M12x130
K (Max/Min) 46/30
L 27
M (1,5x60° / 1,16"x90°) 14
17
N M8
P (Min) 19

 

10"
Ayna Ebadı 10"
Flanş No A2-8
A 254
B 85,7
C 139,72
D 155
E 85,73
F 66,5
G (Max) M72x1,5
H 150
J M16x140
K (Max/Min) 54,5/36
L 27
M (1,5x60° / 1,16"x90°) 16
17
N M10
P (Min) 19

 

12"
Ayna Ebadı 12"
Flanş No A2-11
A 305
B 117,5
C 196,87
D 172
E 110
F 90
G (Max) M96x1,5
H 168
J M20x160
K (Max/Min) 51,5/33
L 32
M (1,5x60° / 1,16"x90°) 18
21
N M10
P (Min) 25

Adres: Fevzi Çakmak Mh. 10758 Sk. No:1/C 42050 Karatay / KONYA
Tel. : +90 (332) 502 01 35
E-Posta: info@komtasmakine.com.tr

BİZE ULAŞIN

+90 (332) 502 01 35

info@komtasmakine.com.tr