• Hassas İş Bağlama Sistemleri

  • Alanında Uzman Kadro

  • Hassas İş Bağlama Sistemleri

ÜRÜNLER / ELLE KUMANDALI TORNA AYNALARI
 GENEL ÖZELLİKLER

Ölçüleri DIN 6350'ye göredir. Devir sayısı, sıkma kuvveti, salgı ve yalpa değerleri DIN 6386'daki teslim şartlarına uygundur.
Çelik gövde
Sertleştirilmiş, balansı alınmış yüksek düzey kalitesinde spiral
Kademelendirilmiş, sertleştirilmiş ve taşlanmış ters düz ayaklar
Ayak dış yüzeylerinin her iki tarafı taşlanmıştır.
Üniversal takım tezgahlarında, divizörlerde ve döner tablalarda kullanılır.

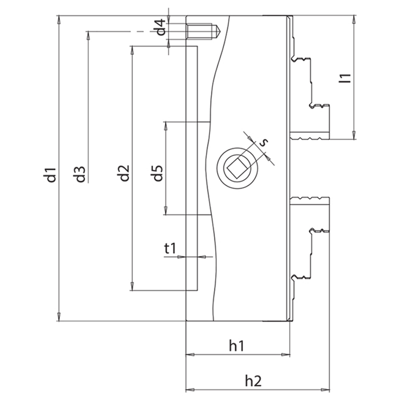
 TEKNİK ÖZELLİKLER
103ZNZ - 104ZNS
Sipariş Kodu 3 Ayak 103ZNS
4 Ayak 104ZNS
d1 100
d2H6 70
d3 83
d4 3xM8
d5 20
h1 50
h2 68
l1 44,3
t1 3
s 8
Ağırlık 2,4

 

123ZNS - 124ZNS
Sipariş Kodu 3 Ayak 123ZNS
4 Ayak 124ZNS
d1 125
d2H6 95
d3 108
d4 3xM8
d5 32
h1 56
h2 79,5
l1 55
t1 4
s 9
Ağırlık 4

 

163ZNS - 164ZNS
Sipariş Kodu 3 Ayak 163ZNS
4 Ayak 164ZNS
d1 160
d2H6 125
d3 140
d4 3xM10
d5 47
h1 66
h2 93,5
l1 70
t1 4
s 10
Ağırlık 7,2

 

203ZNS - 204ZNS
Sipariş Kodu 3 Ayak 203ZNS
4 Ayak 204ZNS
d1 200
d2H6 160
d3 176
d4 3xM10
d5 55
h1 75
h2 104,8
l1 83
t1 4
s 11
Ağırlık 12,7

 

253ZNS - 254ZNS
Sipariş Kodu 3 Ayak 253ZNS
4 Ayak 254ZNS
d1 250
d2H6 200
d3 224
d4 3xM12
d5 76
h1 85
h2 117,5
l1 101,5
t1 5
s 12
Ağırlık 22,5

 

313ZNS - 314ZNS
Sipariş Kodu 3 Ayak 313ZNS
4 Ayak 314ZNS
d1 315
d2H6 260
d3 286
d4 3xM16
d5 103
h1 95
h2 139,4
l1 131
t1 5
s 14
Ağırlık 40,5

 

403ZNS - 404ZNS
Sipariş Kodu 3 Ayak 403ZNS
4 Ayak 404ZNS
d1 400
d2H6 330
d3 362
d4 3xM16
d5 136
h1 108
h2 156,4
l1 159
t1 5
s 17
Ağırlık 77,5

 

ÖLÇÜLER
d1 100
125
160
200
250
315
400
d5 (min) 3
3
3
4
5
10
10
d6 (max) 33
42
68
90
110
145
200
d7 (min) 25
34
42
52
62
80
100
d8 (max) 87
112
154
194
240
299
380
d9 (max) 115
148
200
250
310
385
480
d10 (min) 3
3
3
4
5
10
20
d11 (min) 32
38
48
60
75
96
120
d12 (max) 93
120
160
200
250
315
400
d13 (max) 115
148
200
250
310
385

480

Adres: Fevzi Çakmak Mh. 10758 Sk. No:1/C 42050 Karatay / KONYA
Tel. : +90 (332) 502 01 35
E-Posta: info@komtasmakine.com.tr

BİZE ULAŞIN

+90 (332) 502 01 35

info@komtasmakine.com.tr