
ÜRÜNLER / DÖNER PUNTALAR
AÇIK MERKEZ HİDROLİK AYNALAR - KHC
YÜKSEK DEVİRLİ VE HIZLI AYAK DEĞİŞTİRMELİ HİDROLİK AYNALAR - HSQC
ELLE KUMANDALI TORNA AYNALARI
SÜPER HASSAS TEZGAH MENGENELERİ
DÖNER PUNTALAR
SABİT PUNTALAR
PENS AYNASI
GENEL ÖZELLİKLER
TEKNİK ÖZELLİKLER
| ÖLÇÜLER / 240 SERİSİ | ||
| MK4-240 | Mors Koniği (MK) | 4 |
| D | 68 | |
| D1 | 35 | |
| D2 | 85 | |
| da | 31,267 | |
| L | 183 | |
| L1 | 12,5 | |
| L3 | 81 | |
| MK5-240 | Mors Koniği (MK) | 5 |
| D | 68 | |
| D1 | 35 | |
| D2 | 85 | |
| da | 44,399 | |
| L | 226 | |
| L1 | 12,5 | |
| L3 | 87 | |
| ÖLÇÜLER / 240 SERİSİ | ||
| MK4-240-01 | Mors Koniği (MK) | 4 |
| D | 34 | |
| L | 73,5 | |
| L2 | 85 | |
| L3 | 46 | |
| MK5-240-02 | Mors Koniği (MK) | 5 |
| D | 55 | |
| L | 85 | |
| L2 | 53 | |
| L3 | 57,5 | |
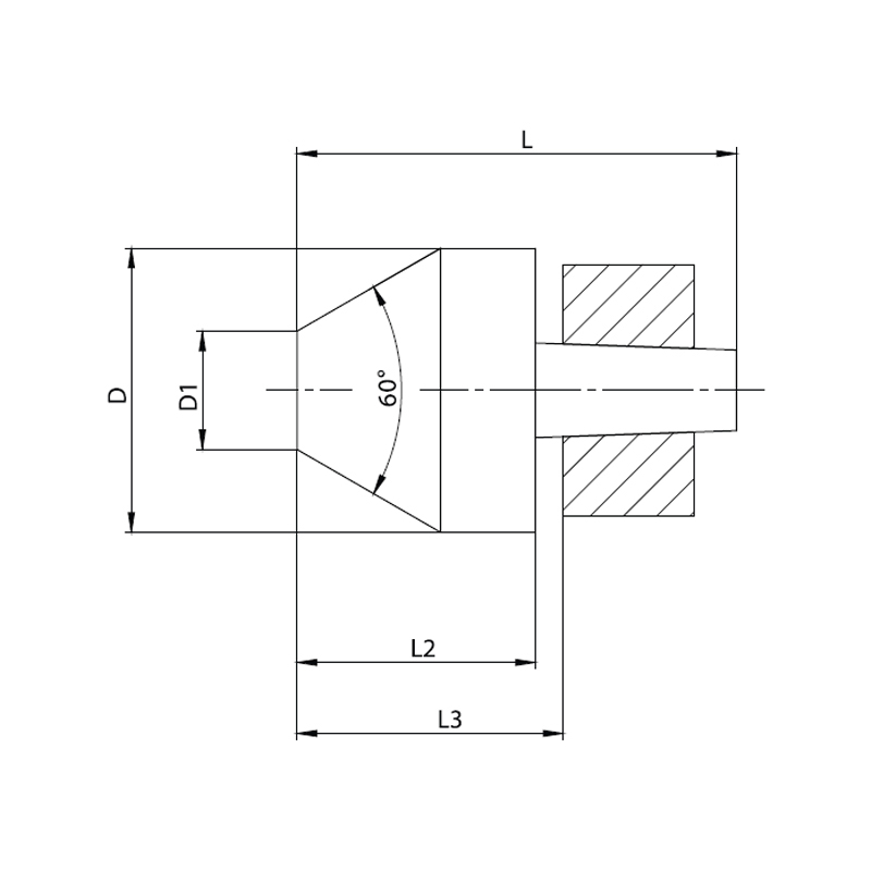
| ÖLÇÜLER / 240 SERİSİ | ||
| MK4-240-01 | Mors Koniği (MK) | 4 |
| D | 48 | |
| D1 | 20 | |
| L | 73,5 | |
| L2 | 41 | |
| L3 | 46 | |
| MK5-240-01 | Mors Koniği (MK) | 5 |
| D | 58 | |
| D1 | 30 | |
| L | 70 | |
| L2 | 37,5 | |
| L3 | 42,5 | |
| ÖLÇÜLER / 240 SERİSİ | ||
| MK4-240-02 | Mors Koniği (MK) | 4 |
| D | 34 | |
| L | 73,5 | |
| L2 | 41,5 | |
| L3 | 46 | |
| MK5-240-02 | Mors Koniği (MK) | 5 |
| D | 55 | |
| L | 85 | |
| L2 | 53 | |
| L3 | 57,5 | |
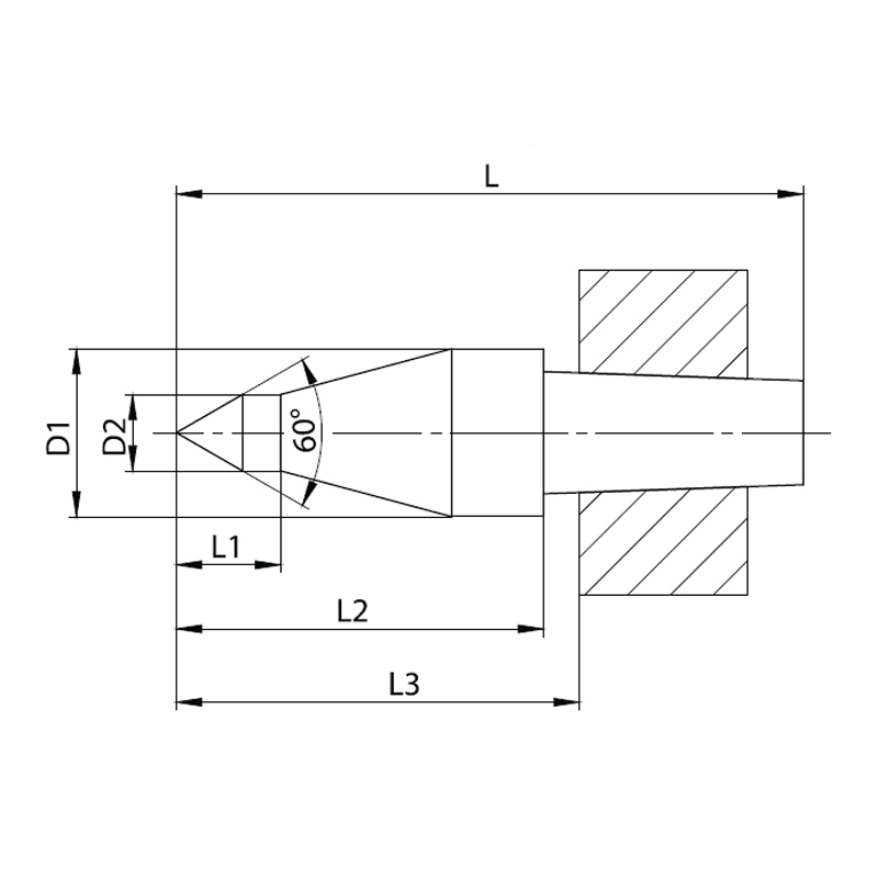
| ÖLÇÜLER / 240 SERİSİ | ||
| MK4-240-03 | Mors Koniği (MK) | 4 |
| D1 | 22 | |
| D2 | 10 | |
| L | 73,5 | |
| L3 | 41,5 | |
| L4 | 46 | |
| MK5-240-03 | Mors Koniği (MK) | 5 |
| D1 | 30 | |
| D2 | 14 | |
| L | 85 | |
| L3 | 53 | |
| L4 | 58 | |
| ÖLÇÜLER / 240 SERİSİ | ||
| MK4-240-04 | Mors Koniği (MK) | 4 |
| D1 | 22 | |
| D2 | 14 | |
| L | 73,5 | |
| L1 | 25 | |
| L2 | 41,5 | |
| L3 | 46 | |
| MK5-240-04 | Mors Koniği (MK) | 5 |
| D1 | 30 | |
| D2 | 20 | |
| L | 85 | |
| L1 | 30 | |
| L2 | 53 | |
| L3 | 58 | |
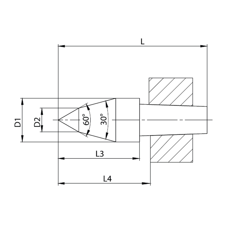
| ÖLÇÜLER / 240 SERİSİ | ||
| MK4-240-05 | Mors Koniği (MK) | 4 |
| D1 | 22 | |
| D2 | 8 | |
| L | 73,5 | |
| L1 | 12,5 | |
| L2 | 41,5 | |
| L3 | 46 | |
| MK5-240-05 | Mors Koniği (MK) | 5 |
| D1 | 30 | |
| D2 | 10 | |
| L | 85 | |
| L1 | 15 | |
| L2 | 53 | |
| L3 | 58 | |
| ÖLÇÜLER / 240 SERİSİ | ||
| MK4-240-A | Mors Koniği (MK) | 4 |
| MK5-240-A | Mors Koniği (MK) | 5 |
© 2020 Komtaş Makine - Tüm Hakları Saklıdır...



















